

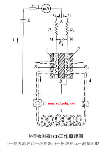
|
名 稱
|
空 氣
|
氫 氣
|
氦 氣
|
氮 氣
|
氧 氣
|
氬 氣
|
CO
|
CO2
|
氨 氣
|
甲 烷
|
|
0℃
|
5.8
|
41.6
|
34.8
|
5.8
|
5.9
|
4.0
|
5.6
|
3.5
|
5.2
|
7.2
|
|
100℃
|
7.5
|
53.4
|
41.6
|
7.5
|
7.6
|
5.2
|
7.2
|
5.3
|
7.6
|
10.9
|
|
名 稱
|
乙 烷
|
乙 烯
|
乙 炔
|
丙 烷
|
正丁烷
|
異丁烷
|
正戊烷
|
苯
|
甲 醇
|
丙 酮
|
|
0℃
|
4.3
|
4.2
|
4.5
|
3.6
|
3.2
|
3.3
|
3.1
|
2.2
|
3.4
|
2.4
|
|
100℃
|
7.3
|
7.4
|
6.8
|
6.3
|
5.6
|
5.8
|
5.3
|
4.4
|
5.5
|
4.2
|
設為首頁 | 加入收藏 | 聯(lián)系我們 揚州拓普電氣科技有限公司版權所有 Copyright © 2010-2021
蘇ICP備10068214號-2
蘇公網(wǎng)安備32102302010144號 技術支持:平邑在線